家园首页 Php4手册 我的相册 家园下载 个人文集 给我留言
我形我塑,网络相册,www.5x54.com 相册 相册 心情相册,少女相册 免费申请,我形我塑免费相册
 家园 个人文集   http://www.5x54.com
 


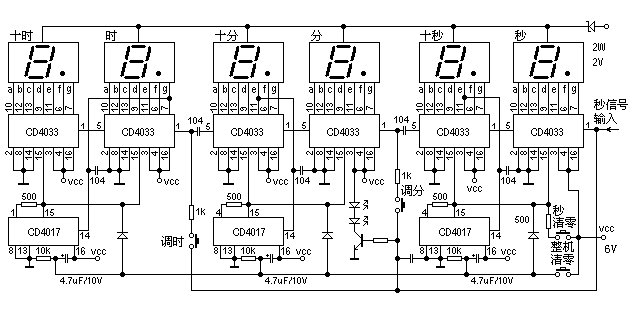
用CD4033+CD4017自制LED数字钟-显示时、分、秒、星期


作者:电子协会    点击: 读取中...

(%$$573#^67)心情家园www.bbsdiy.net
  尽管现在市面上有很多LED数字钟专用的集成电路提供(%$$573#^67)心情家园www.bbsdiy.net,价格也很便宜。但对于喜欢动手的电子爱好者来说(%$$573#^67)心情家园www.bbsdiy.net,自制一个LED数字钟(%$$573#^67)心情家园www.bbsdiy.net,也别有一番味道。娱乐之余(%$$573#^67)心情家园www.bbsdiy.net,也是学习电子技术的一种方法。这里介绍一个用普通数字电路搭成的LED数字钟(%$$573#^67)心情家园www.bbsdiy.net,其主电路见图1。她除了有一般数字钟分、时显示之外(%$$573#^67)心情家园www.bbsdiy.net,还含秒显示和星期显示。电路比较简单(%$$573#^67)心情家园www.bbsdiy.net,适合仿制。下面介绍她的主要工作原理和制作注意事项。 (%$$573#^67)心情家园www.bbsdiy.net
l     秒信号发生器; (%$$573#^67)心情家园www.bbsdiy.net
因为在数字钟电路钟(%$$573#^67)心情家园www.bbsdiy.net,秒信号的准确是时钟计时精度的关键。这里采用本站介绍的秒信号发生器为该电路提供秒基准信号。 (%$$573#^67)心情家园www.bbsdiy.net
l     主电路: (%$$573#^67)心情家园www.bbsdiy.net
(%$$573#^67)心情家园www.bbsdiy.net
图1 (%$$573#^67)心情家园www.bbsdiy.net
  这里以秒计时为例(%$$573#^67)心情家园www.bbsdiy.net,介绍电路的工作原理。如图1所示(%$$573#^67)心情家园www.bbsdiy.net,标准秒时基信号进入CD4033(十进制记数/7段译码器集成电)1脚(记数输入端)(%$$573#^67)心情家园www.bbsdiy.net,“秒”位开始记数。但记数有9到0时(%$$573#^67)心情家园www.bbsdiy.net,CD40335脚输出进位脉冲(%$$573#^67)心情家园www.bbsdiy.net,“十秒位”为变为“1”。同时我们注意到在接通电源是CD4017的3脚(Q0)输出为高电平。当“十秒位”为(%$$573#^67)心情家园www.bbsdiy.net,记数到“2”时(%$$573#^67)心情家园www.bbsdiy.net,数码管的“e”跳变位高电平“1”(%$$573#^67)心情家园www.bbsdiy.net,同时此脉冲进入CD4017的14脚进行记数(%$$573#^67)心情家园www.bbsdiy.net,此时其2脚(Q1)变为高电平;当“十秒位”由5准备变成6时(%$$573#^67)心情家园www.bbsdiy.net,CD4017再次进位(%$$573#^67)心情家园www.bbsdiy.net,此时其4脚(Q2)变为高电平(%$$573#^67)心情家园www.bbsdiy.net,此电平通过电阻对CD4017的15脚进行复位(%$$573#^67)心情家园www.bbsdiy.net,既CD4033也被复位(%$$573#^67)心情家园www.bbsdiy.net,显示为“0”(%$$573#^67)心情家园www.bbsdiy.net,这样实现“59”到“00”的转换(%$$573#^67)心情家园www.bbsdiy.net,同时进位脉冲有5脚输出。由于CD4017被复位(%$$573#^67)心情家园www.bbsdiy.net,其3脚(Q0)输出又为高电平(%$$573#^67)心情家园www.bbsdiy.net,为下一轮的记数作好准备。同理(%$$573#^67)心情家园www.bbsdiy.net,我们也可分析出“分位”电路和“时位”以及“星期指示”电路(见图2)的工作原理。 (%$$573#^67)心情家园www.bbsdiy.net
(%$$573#^67)心情家园www.bbsdiy.net
图2 (%$$573#^67)心情家园www.bbsdiy.net
l     制作要点 (%$$573#^67)心情家园www.bbsdiy.net
制作时(%$$573#^67)心情家园www.bbsdiy.net,数码管选用共阴型。其中(%$$573#^67)心情家园www.bbsdiy.net,数码管共阴端的稳压二极管不能用电阻替代。并应根据电源电压大小来调节稳压二极管的稳压值。所有的二极管型号为IN4148。 (%$$573#^67)心情家园www.bbsdiy.net
 

收藏此文章     打印  更新     编辑此文章    『关闭窗口』